AmetekHaydonKerk AmetekAMS
Skip to content

G40A

G40A Planetary Gearbox
The G40A is a 40 mm planetary gearbox suitable for servo applications where DC Servo brush or BLDC motor technology is specified.

Features:
  • Precision hobbed steel gears for high torque capacity
  • Sintered bronze output bearing
Optional:
  • Alternate mounting and shaft configurations
  • Output ball bearing for high radial loads
  • Additional ratios available
Compatible Motors:
DC040B
DC054B
EC057C
ES030A
ES040A
ES050A

PLEASE NOTE:  Gearboxes are configured to be integrated directly with PITTMAN motors. Gearboxes are not sold separately.
  • Specifications +


    GEAR DATA UNITS G40A
    4:1
    G40A
    17.3:1
    G40A
    24:1
    G40A
    75.1:1
    G40A
    144:1
    G40A
    325.5:1
    G40A
    864:1
    Maximum Load Nm 14.12 14.12 14.12 14.12 14.12 14.12 14.12
    oz-in 2000 2000 2000 2000 2000 2000 2000
    Weight (Mass) g 255.1 311.8 311.8 368.5 368.5 425.2 425.2
    oz 9 11 11 13 13 15 15
    Length (LG) mm 35.6 43.2 43.2 50.8 50.8 58.4 58.4
    in 1.400 1.700 1.700 2.000 2.000 2.300 2.300
    Stages -              
    Ratio - 4:1 52:3 24:1 676:9 144:1 8768:27 864:1
    Efficiency - 0.90 0.81 0.81 0.73 0.73 0.65 0.65
    Shaft Rotation - CW CW CW CW CW CW CW
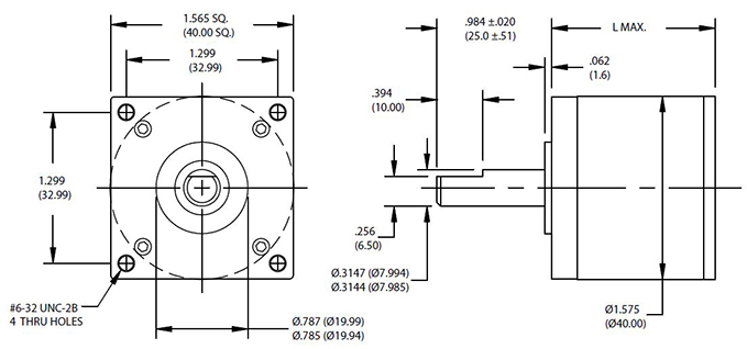
  • Dimensional Drawing +



    G40A Planetary Gearbox Dwg

    Combined Length
    G40A Gearmotor
    Motor Length LGM mm
    Stage 1 2 3 4
    DC040B-1 82.03 89.63 97.23 104.83
    DC040B-2 91.56 99.16 106.76 114.36
    DC040B-3 96.64 104.24 111.84 119.44
    DC040B-4 104.26 111.86 119.46 127.06
    DC040B-5 111.15 118.75 126.35 133.95
    DC040B-6 120.77 128.37 135.97 143.57

    Combined Length
    G40A Gearmotor
    Motor Length LGM mm
    Stage 1 2 3 4
    DC054B-1 110.61 118.21 125.81 133.41
    DC054B-2 116.96 124.56 132.16 139.76
    DC054B-3 129.66 137.26 144.86 152.46
    DC054B-4 139.20 146.80 154.40 162.00
    DC054B-5 148.70 156.30 163.90 171.50
    DC054B-6 161.40 169.00 176.60 184.20
    DC054B-7 180.50 188.10 195.70 203.30
    Combined Length
    G40A Gearmotor
    Motor Length LGM mm
    Stage 1 2 3 4
    EC057C-1 74.5 82.1 89.7 97.3
    EC057C-2 85.9 93.5 101.1 108.7
    EC057C-3 98.6 106.2 113.8 121.4
    EC057C-4 111.3 118.9 126.5 134.1
    Combined Length
    G40A Gearmotor
    Motor Length LGM mm
    Stage 1 2 3 4
    ES030A-1
    94.58 102.18 109.78 117.38
    ES030A-2 104.71 112.34 119.94 127.54
    Combined Length
    G40A Gearmotor
    Motor Length LGM mm
    Stage 1 2 3 4
    ES040A-1 103.04 110.64 118.24 125.84
    ES040A-2 110.66 118.26 125.86 133.46
    ES040A-3 118.28 125.88 133.48 141.08
    Combined Length
    G40A Gearmotor
    Motor Length LGM mm
    Stage 1 2 3 4
    ES050A-1 115.99 123.59 131.19 138.79
    ES050A-2 128.69 136.29 143.89 151.49
    ES050A-3 141.39 148.99 156.59 164.19