AmetekHaydonKerk AmetekAMS
Skip to content

WDG General Purpose Anti-Backlash

Kerk WDG General Purpose Anti-Backlash Nut and Lead Screw

The Kerk WDG Series anti-backlash acme lead screw assembly utilizes an exceptionally compact design to provide stiffness and balanced accuracy for precise positioning. The patented wedge design locks the anti-backlash nut at the correct preload without excessive drag. Shorter than other self-compensating nuts with similar performance, the WDG nut permits the design of smaller assemblies without sacrificing stroke length. Nut wear or momentary overload is accommodated through the WDG Series’ compensation mechanism, which maintains positional accuracy in demanding applications. The standard WDG Series assembly utilizes a self-lubricating acetal nut, axially preloaded, on a 303 stainless steel acme lead screw. End machining to customer specifications and Kerkote or Black Ice TFE screw coating are optional, as are designs for special operating configurations or environments.

  • Dimensional Drawings +


    Please note: Metric numbers are for reference only.

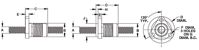
    WDGA SERIES: FLANGE MOUNT & WDGP (with Pilot)
    Screw
       ∅
    Nut
    Nut
    Length
    Flange
    Flange
    Length
    Mounting
    Hole ∅
    Bolt
    Circle ∅
    Hub
    Length
    Hub
    Dynamic
    Load
    Drag
    Torque
    A
    inch
    (mm)
    B
    inch
    (mm)
    C
    inch
    (mm)
    D
    inch
    (mm)
    E
    inch
    (mm)
    F
    inch
    (mm)
    G
    inch
    (mm)
    H
    inch
    (mm)
    J
    inch
    (mm)

    lbs.
    (kg)

    oz.-in.
    (Nm)
    3/16
    (4)
    .625
    (16)
    1.05
    (26)
    1.125
    (28.6)
    0.160
    (4.1)
    0.143
    (3.7)
    0.875
    (22.2)
    0.08
    (2.04)
    .625
    (15.9)
    10
    (4.5)
    4
    (0.03)
    7/32
    (5)
    .625
    (16)
    1.05
    (26)
    1.125
    (28.6)
    0.160
    (4.1)
    0.143
    (3.7)
    0.875
    (22.2)
    0.08
    (2.04)
    .625
    (15.9)
    10
    (4.5)
    4
    (0.03)
    1/4
    (6)
    .625
    (16)
    1.05
    (26)
    1.125
    (28.6)
    0.160
    (4.1)
    0.143
    (3.7)
    0.875
    (22.2)
    0.08
    (2.04)
    .625
    (15.9)
    10
    (4.5)
    4
    (0.03)
    5/16
    (8)
    0.750
    (19)
    1.32
    (33.5)
    1.5
    (38.1)
    0.200
    (5.08)
    .200
    (5.08)
    1.125
    (28.6)
    0.120
    (3.05)
    0.750
    (19.1)
    25
    (11.3)
    5
    (0.04)
    3/8
    (10)
    0.750
    (19)
    1.32
    (33.5)
    1.5
    (38.1)
    0.200
    (5.08)
    .200
    (5.08)
    1.125
    (28.6)
    0.120
    (3.05)
    0.750
    (19.1)
    25
    (11.3)
    5
    (0.04)
    7/16
    (11)
    1.00
    (24.4)
    2.078
    (52.8)
    1.750
    (44.5)
    0.250
    (6.35)
    0.220
    (5.6)
    1.406
    (35.7)
    0.255
    (6.48)
    1.00
    (25.4)
    75
    (34)
    9
    (0.06)
    1/2
    (13)
    1.00
    (24.4)
    2.078
    (52.8)
    1.750
    (44.5)
    0.250
    (6.35)
    0.220
    (5.6)
    1.406
    (35.7)
    0.255
    (6.48)
    1.00
    (25.4)
    75
    (34)
    9
    (0.06)
     



    WDGT SERIES: THREAD MOUNT
    Screw
       ∅
    Nut
    Nut
    Length
    Flange
    Flange
    Length
    Thread Thread
    Length
    Dynamic
    Load
    Drag
    Torque

    A
    in.
    (mm)

    B
    in.
    (mm)

    C
    in.
    (mm)

    D
    in.
    (mm)

    E
    in.
    (mm)

    M
    in.

    N
    in.
    (mm)


    lbs.
    (kg)


    oz.-in.
    (Nm)

    3/16
    (4)
    .625
    (16)
    1.05
    (26)
    1.125
    (28.6)
    0.160
    (4.1)
    9/16-18 0.240
    (6.1)
    10
    (4.5)
    4
    (0.03)
    7/32
    (5)
    .625
    (16)
    1.05
    (26)
    1.125
    (28.6)
    0.160
    (4.1)
    9/16-18 0.240
    (6.1)
    10
    (4.5)
    4
    (0.03)
    1/4
    (6)
    .625
    (16)
    1.05
    (26)
    1.125
    (28.6)
    0.160
    (4.1)
    9/16-18 0.240
    (6.1)
    10
    (4.5)
    4
    (0.03)
    5/16
    (8)
    0.750
    (19)
    1.32
    (33.5)
    1.5
    (38.1)
    0.200
    (5.1)
    5/8-18
    (5.08)
    0.320
    (8.1)
    25
    (11.3)
    5
    (0.04)
    3/8
    (10)
    0.750
    (19)
    1.32
    (33.5)
    1.5
    (38.1)
    0.200
    (5.1)
    5/8-18
    (5.08)
    0.320
    (8.1)
    25
    (11.3)
    5
    (0.04)
    7/16
    (11)
    1.00
    (25.4)
    2.078
    (52.8)
    1.750
    (44.5)
    0.250
    (6.35)
    15/16-16
    (5.6)
    0.500
    (12.7)
    75
    (34)
    9
    (0.06)
    1/2
    (13)
    1.00
    (25.4)
    2.078
    (52.8)
    1.750
    (44.5)
    0.250
    (6.35)
    15/16-16
    (5.6)
    0.500
    (12.7)
    75
    (34)
    9
    (0.06)


  • Diameter and Lead Options +


    3/16" (5 mm) Diameter Lead Screw. Diameter Code 018
    Lead Lead Code Left Hand Avail. Outside Diameter (For Reference) Root Diameter (For Reference) Efficiency %*
    in mm
    in mm in mm
    0.02 0.5 0020 0.188 4.78 0.163 4.14 30
    0.025 0.64 0025 0.188 4.78 0.15 3.81 39
    0.039 1 0039 0.188 4.78 0.144 3.66 47
    0.05 1.27 0050 0.188 4.78 0.124 3.15 58
    0.1 2.54 0100 0.188 4.78 0.136 3.45 69
    0.1875 4.76 0188 0.188 4.78 0.167 4.24 78
    0.2 5.08 0200 0.188 4.78 0.124 3.15 82
    0.375 9.53 0375 0.188 4.78 0.161 4.09 84
    0.4 10.16 0400 0.188 4.78 0.124 3.15 84
    0.427 10.85 0427 0.188 4.78 0.162 4.11 85
    0.5 12.7 0500 0.188 4.78 0.142 3.61 86
    ** Listed efficiency for Micro screws are theoretical values based on non-coated lead screws.
    Shaded areas have been translated from their designed inch or mm dimension to an equivalent mm or inch dimension.
    7/32" (5.6 mm) Diameter Lead Screw. Diameter Code 021
    Lead Lead Code Left Hand Avail. Outside Diameter (For Reference) Root Diameter (For Reference) Efficiency %*
    in mm
    in mm in mm
    0.024 0.61 0024 0.218 5.54 0.181 4.6 31
    0.03125 0.79 0031 0.204 5.18 0.16 4.06 39
    0.048 1.22 0048 0.216 5.49 0.156 3.96 50
    0.05 1.27 0050 0.2 5.08 0.135 3.43 52
    0.0625 1.59 0063 0.218 5.54 0.142 3.61 60
    0.096 2.44 0096 0.218 5.54 0.156 3.96 66
    0.192 4.88 0192 0.218 5.54 0.156 3.96 78
    0.25 6.35 0250 0.204 5.18 0.14 3.56 81
    0.384 9.75 0384 0.218 5.54 0.159 4.04 86
    *Listed efficiency are theoretical values based on Kerkote® TFE coated lead screws.
    Shaded areas have been translated from their designed inch or mm dimension to an equivalent mm or inch dimension.
    1/4" (6 mm) Diameter Lead Screw. Diameter Code 025
    Lead Lead Code Left Hand Avail. Outside Diameter (For Reference) Root Diameter (For Reference) Efficiency %*
    in mm
    in mm in mm
    0.024 0.61 0024 0.25 6.35 0.218 5.54 28
    0.025 0.64 0025 0.25 6.35 0.214 5.44 30
    0.03125 0.79 0031 0.25 6.35 0.208 5.28 34
    0.039 1 0039 0.25 6.35 0.19 4.83 40
    0.048 1.22 0048 0.25 6.35 0.19 4.83 45
    0.05 1.27 0050 0.25 6.35 0.191 4.85 46
    0.059 1.5 0059 0.25 6.35 0.172 4.37 52
    0.0625 1.59 0063 0.25 6.35 0.17 4.32 52
    0.079 2 0079 0.25 6.35 0.17 4.32 59
    0.096 2.44 0096 0.25 6.35 0.19 4.83 61
    0.1 2.54 0100 0.25 6.35 0.19 4.83 62
    0.118 3 0118 0.25 6.35 0.175 4.45 68
    0.125 3.18 0125 0.25 6.35 0.19 4.83 67
    0.197 5 0197 0.25 6.35 0.172 4.37 72
    0.2 5.08 0200 0.25 6.35 0.17 4.32 65
    0.25 6.35 0250 0.25 6.35 0.168 4.27 79
    0.3125 7.94 0313 0.25 6.35 0.184 4.67 81
    0.333 8.46 0333 0.25 6.35 0.17 4.32 82
    0.394 10 0394 0.25 6.35 0.17 4.32 78
    0.4 10.16 0400 0.25 6.35 0.17 4.32 84
    0.5 12.7 0500 0.25 6.35 0.169 4.29 85
    0.75 19.05 0750 0.25 6.35 0.17 4.32 86
    1 25.4 1000 0.25 6.35 0.17 4.32 84
    ** Listed efficiency for Micro screws are theoretical values based on non-coated lead screws.
    Shaded areas have been translated from their designed inch or mm dimension to an equivalent mm or inch dimension.
    5/16" (8 mm) Diameter Lead Screw. Diameter Code 031
    Lead Lead Code Left Hand Avail. Outside Diameter (For Reference) Root Diameter (For Reference) Efficiency %*
    in mm
    in mm in mm
    0.057 1.44 0057 0.315 8 0.243 6.71 43
    0.0741 1.88 0074 0.312 7.92 0.211 5.36 51
    0.111 2.82 0111 0.312 7.92 232 5.89 60
    0.167 4.24 0167 0.312 7.92 0.211 5.36 69
    0.25 6.35 0250 0.312 7.92 0.234 5.94 76
    0.5 12.7 0500 0.312 7.92 0.232 5.89 83
    0.8 20.32 0800 0.306 7.77 0.243 6.17 86
    ** Listed efficiency for Micro screws are theoretical values based on non-coated lead screws. 
    Shaded areas have been translated from their designed inch or mm dimension to an equivalent mm or inch dimension. 
    3/8" (10 mm) Diameter Lead Screw. Diameter Code 037
    Lead Lead Code Left Hand Avail. Outside Diameter (For Reference) Root Diameter (For Reference) Efficiency %*
    in mm
    in mm in mm
    0.025 0.64 0025 0.375 9.53 0.337 8.56 21
    0.039 1 0039 0.394 10.01 0.35 8.89 28
    0.04167 1.06 0042 0.375 9.53 0.32 8.13 34
    0.05 1.27 0050 0.375 9.53 0.301 7.65 36
    0.055 1.4 0055 0.375 9.53 0.303 7.7 38
    0.059 1.5 0059 0.389 9.88 0.313 7.95 38
    0.0625 1.59 0063 0.375 9.53 0.295 7.49 41
    0.068 1.73 0068 0.388 9.86 0.295 7.49 42
    0.079 2 0079 0.375 9.53 0.264 6.71 47
    0.0833 2.12 0083 0.375 9.53 0.293 7.44 48
    0.1 2.54 0100 0.375 9.53 0.266 6.76 53
    0.125 3.18 0125 0.375 9.53 0.295 7.49 59
    0.157 4 0157 0.375 9.53 0.274 6.96 65
    0.1667 4.23 0167 0.371 9.42 0.261 6.63 61
    0.197 5 0197 0.375 9.53 0.266 6.76 69
    0.2 5.08 0200 0.375 9.53 0.266 6.76 69
    0.25 6.35 0250 0.375 9.53 0.268 6.81 70
    0.3 7.62 0300 0.375 9.53 0.255 6.48 76
    0.333 8.46 0333 0.375 9.53 0.245 6.22 78
    0.363 9.22 0363 0.375 9.53 0.26 6.6 79
    0.375 9.53 0375 0.375 9.53 0.265 6.73 79
    0.394 10 0394 0.375 9.53 0.26 6.6 79
    0.4 10.16 0400 0.375 9.53 0.293 7.44 79
    0.472 12 0472 0.388 9.86 0.287 7.29 82
    0.5 12.7 0500 0.388 9.86 0.265 6.73 81
    0.667 16.94 0667 0.375 9.53 0.273 6.93 83
    0.75 19.05 0750 0.388 9.86 0.273 6.93 84
    0.984 25 0984 0.375 9.53 0.262 6.65 84
    1 25.4 1000 0.383 9.73 0.254 6.45 84
    1.2 30.48 1200 0.383 9.73 0.254 6.45 84
    1.25 31.75 1250 0.375 9.53 0.278 7.06 84
    1.5 38.1 1500 0.375 9.53 0.264 6.71 83
    ** Listed efficiency for Micro screws are theoretical values based on non-coated lead screws.
    Shaded areas have been translated from their designed inch or mm dimension to an equivalent mm or inch dimension.
    7/16" (11 mm) Diameter Lead Screw. Diameter Code 043
    Lead Lead Code Left Hand Avail. Outside Diameter (For Reference) Root Diameter (For Reference) Efficiency %*
    in mm
    in mm in mm
    0.05 1.27 0050 0.437 11.1 0.362 9.19 30
    0.0625 1.59 0063 0.436 11.07 0.358 9.09 38
    0.079 2 0079 0.472 11.99 0.374 9.5 42
    0.111 2.82 0111 0.437 11.1 0.327 8.31 52
    0.118 3 0118 0.438 11.13 0.363 9.22 52
    0.125 3.18 0125 0.438 11.13 0.357 9.07 54
    0.197 5 0197 0.438 11.13 0.315 8 65
    0.263 6 0236 0.433 11 0.313 7.95 70
    0.25 6.35 0250 0.442 11.23 0.325 8.26 70
    0.307 7.8 0307 0.445 11.3 0.343 8.71 73
    0.325 8.26 0325 0.444 11.28 0.342 8.69 74
    0.394 10 0394 0.446 11.33 0.331 8.41 78
    0.472 12 0472 0.438 11.13 0.318 8.08 80
    0.5 12.7 0500 0.452 11.48 0.327 8.31 80
    0.615 15.62 0615 0.475 12.07 0.376 9.55 82
    ** Listed efficiency for Micro screws are theoretical values based on non-coated lead screws. 
    Shaded areas have been translated from their designed inch or mm dimension to an equivalent mm or inch dimension.
    1/2" (13 mm) Diameter Lead Screw. Diameter Code 050
    Lead Lead Code Left Hand Avail. Outside Diameter (For Reference) Root Diameter (For Reference) Efficiency %*
    in mm
    in mm in mm
    0.05 1.27 0050 0.495 12.57 0.433 11 29
    0.079 2 0079 0.473 12.01 0.355 9.02 41
    0.098 2.5 0098 0.5 12.7 0.383 9.73 46
    0.1 2.54 0100 0.49 12.45 0.364 9.25 46
    0.125 3.18 0125 0.5 12.7 0.374 9.5 51
    0.157 4 0157 0.5 12.7 0.384 9.75 58
    0.16 4.06 0160 0.5 12.7 0.388 9.86 67
    0.1667 4.23 0167 0.5 12.7 0.384 9.75 58
    0.197 5 0197 0.5 12.7 0.365 9.27 62
    0.2 5.08 0200 0.492 12.5 0.366 9.3 63
    0.25 6.35 0250 0.5 12.7 0.382 9.7 67
    0.333 8.46 0333 0.497 12.62 0.362 9.19 73
    0.394 10 0394 0.497 12.62 0.362 9.19 76
    0.4 10.16 0400 0.497 12.62 0.364 9.25 76
    0.5 12.7 0500 0.488 12.4 0.352 8.94 79
    0.63 16 0630 0.5 12.7 0.374 9.5 80
    0.75 19.05 0750 0.525 13.34 0.399 10.13 83
    0.8 20.32 0800 0.5 12.7 0.37 9.4 83
    0.984 25 0984 0.5 12.7 0.369 9.37 84
    1 25.4 1000 0.49 12.45 0.372 9.45 84
    1.5 38.1 1500 0.49 12.45 0.374 9.5 85
    2 50.8 2000 0.488 12.4 0.378 9.6 87
    ** Listed efficiency for Micro screws are theoretical values based on non-coated lead screws. 
    Shaded areas have been translated from their designed inch or mm dimension to an equivalent mm or inch dimension.
  • Lubrication Options +


    Haydon Kerk Motion Solutions™ offers multiple options for lubrication. All Kerk® lead screw nuts feature self-lubricating polymers. When maximum performance is required, Kerkote® and Black Ice™ TFE coatings provide unmatched results in the most demanding applications. 

    Kerkote® TFE Coating 

    Kerkote TFE is a soft coating, a long-term dry lubricant that is optimized for softer plastics like acetals and nylons, with or without mechanical reinforcement. Lubrication to the nut / lead screw interface occurs by the nut picking up Kerkote TFE particles from the coating as well as from the migration of the internal lubricant within the plastic nut. The lubricant, although solid, also has some “spreading” ability as in fluid lubricants. Kerkote TFE coated screws provide the maximum level of self-lubrication and should not be additionally lubricated or used in environments where oils or other lubricant contamination is possible. 

    Black Ice™ TFE Coating 


    Black Ice TFE coating shares many of the benefits of Kerkote TFE but, in contrast, is a hard coating that offers exceptional durability in all types of environments, with virtually any type of polymer lead screw nut. Rather than acting as a dry lubricant, Black Ice TFE is an anti-friction coating whose surface properties displace the metal to which it is applied. Though it is not intended for use with metal or glass fiber reinforced nuts, Black Ice TFE is bonded securely to the surface of the lead screw and can withstand abrasion from contamination, rigid polymer systems, fluid impingement and wash down applications.
  • Part Number Guide +



    WDG

    A

    K

    R

    -

    018

    -

    0039

    -

    XXXX

    Prefix

    Nut Mounting Style

    Lubrication

    Thread Direction

     

    Diameter Code


    Nominal Thread Lead Code

     

    Unique Identifier

    WDG

    A=Flanged (Triangular)
    P=Flanged (Triangular with pilot)
    T=Threaded
    X=Custom

    S=Uncoated
    K=Kerkote TFE Coating
    N=Nut only
    B=Black Ice TFE Coating

    R=Right hand
    L=Left hand (Not available for Micro Series)
    (Refer to lead-screw charts for availability)

     

    018=.188-in (5)
    021=.219-in (5.6)
    025=.250-in (6)
    031=.313-in (8)
    037=.375-in (10)
    043=.438-in (11)
    050=.500-in (13)

     

     


    Refer to LEAD CODE Specifications

     

    Proprietary suffix assigned to a specific customer application. The identifier can apply to either a standard or custom part


    For applications assistance or order entry, call your the Haydon Kerk Motion Solutions Leadscrew Assemblies technical advisors at 603.213.6290

    NOTE: Dashes must be included in Part Number (–) as shown above.

    Not all thread leads are available in all screw diameters.
    New nuts and leads are continually being added. Contact Haydon Kerk Motion Solutions for latest availability.
  • Mechanical Properties +


    Screw Inertia
    Screw Size Screw Inertia
    inch mm (oz-inch sec2/inch)
    3/16 (4.76) 1.1 x 10 –6
    1/4 (6) 3 x 10 –5
    5/16 (8) 5 x 10 –5
    3/8 (10) 1.5 x 10 –5
    7/16 (11) 3.5 x 10 –5
    1/2 (13) 5.2 x 10 –5

    Anti-Backlash Life
    Series Without Kerkote® TFE Coating With Kerkote® TFE Coating
    WDG 100 to 125 million (inches) 200 to 250 million (inches)
    (250 to 315 million) (cm) (500 to 635 million)(cm)

    Mechanical Properties
    Leadscrew Material Surface Finish
    303 Stainless Steel
    (options available)
    Better than 16 micro-inches (0.4 μm)
    Nuts Material Tensile Strength Coefficient of Expansion
    Polyacetal with
    Lubricating Additive
    9,700 psi 6.0 x 10 –5 in/in/oF
    Assembly
    Standard Operating
    Temperature Range
    Coefficient of Friction
    Polyacetal Nut to Screw
    32 - 200o F*
    (0- 93o C)*
    Static = .08 .08 **
    Dynamic = .15 .09 **
    *Very high or low temperatures may cause significant changes in the nut fit or drag torque. Please call Haydon Kerk Motion Solutions™ for optional temperature range materials.
    **with Kerkote® TFE Coating

  • Design and Engineering Data +


    Screw Accuracy
    Haydon Kerk Motion Solutions, Inc uses a unique precision rolling process for screw manufacturing. Standard lead accuracy for Kerk screws is .0006 in./in. (mm/mm). Lead accuracies are available up to .0001 in./in. (mm/mm). Please consult the factory for higher lead accuracies. Assemblies have an extremely high bi-directional repeatability of 50 micro-inches (1.25 micron).
     
    End Machining
    Haydon Kerk Motion Solutions can custom machine screws to your specifications or provide cut-to-length screws for your own machining.  

    Critical Speed
    This is the rotational speed at which a screw may experience vibration or other dynamic problems. See CRITICAL SPEED CHART to determine if application parameters result in speed approaching critical. To minimize critical speed problems: use a longer lead, choose a larger diameter or increase bearing mount support.

    Critical Speed

    Lengths
    Lengths can be specified up to 12 ft. (4M) from stock, (depending on diameter and lead). Cut to length screws are offered in 6-in increments (6-in, 12, 18,....) +1.0-in/-0-in.

    Lead
    Advancement per revolution. All screws are listed by lead, not pitch. Lead = Pitch x Number of Starts

    Pitch
    Crest-to-crest distance or one divided by threads per inch. (On a multiple start thread, the pitch equals the lead divided by the number of starts.)

    Traverse Speed
    The nut materials we use provide long wear-life over a wide variety of conditions. However, very high loads and/or speeds will accelerate nut wear. Special materials may be required for these situations. We offer the following guidelines for continuous duty linear traversing speeds for optimum life:
    Lead Traverse Speed Lead Traverse Speed
    1/10 - 1/2-in 4-in/sec. 1 - 12 mm 100 mm/sec.
    1/2 - 1-in 10-in/sec. 12 - 25 mm 250 mm/sec.
    1 - 2 1/2-in 30-in/sec. 25 - 60 mm 760 mm/sec.

    Maximum Load
    Although the Kerk® Anti-Backlash Assemblies are capable of withstanding relatively high loads without catastrophic failure, these units have been designed to operate under the loading shown in the size charts.

    Efficiency
    Efficiency is the relationship of work input to work output. It should not be confused with mechan- ical advantage. Listed efficiencies are theoretical values based on Kerkote® TFE coated screws.

    Torque
    The required motor torque to drive a lead screw assembly is the sum of three components: the inertial torque, drag torque, and torque-to-move load. It must be noted that
    this is the torque necessary to drive the lead screw assembly alone. Additional torque associated with driving frictional bearings and motor shafts, moving components, and drag due to general assembly misalignment must also be considered.

    Inertial Torque:

    T = I α  Where I = screw inertia
     j                   α = angular acceleration

    Drag Torque:
    The Kerk Anti-Backlash Assemblies are typically supplied with drag torque of 1 to 7 oz.-in. The magnitude of the drag torque is dependent on the standard factory settings or settings specified by the customer. Generally, the higher the preset force, the better the Anti-Back- lash characteristics.

    Torque-to-Move:

    T=        LOAD x LEAD
      L    2 π EFFICIENCY

    Back Driving:
    Sometimes referred to as reversibility, back driving is the ability of a screw to be turned by a thrust load applied to the nut. Generally, back driving will not occur when the screw lead is less than 1/3 the diameter for uncoated screws or 1/4 the diameter for Kerkote® TFE coated screws. For higher leads where back driving is likely, the torque required for holding a load is:

    T  =         LOAD x LEAD x BACKDRIVE EFFICIENCY     
     b                                   2π

    Screw Straightness:
    Screw straightness is measured as Total Indicator Runout(TIR). The standard straightness for lead screws is .003-in/ft. Haydon Kerk Motion Solutions can provide tighter specifications on customer request.  

    All screws are hand straightened before shipping.



  • Typical End Machining Features +


    Standard End Machine
  • Customization +


    In addition to The Kerk® standard nut types, modified and complete custom configurations represent a large portion of the company’s production. Modifications may be simple changes such as different mounting hole patterns or mounting threads, small dimensional changes, or special materials. Haydon Kerk Motion Solutions can provide tremendous value by producing a multi-functional acme nut. Using custom molds and specialty machining, nuts can also include guide bushings, carriages, timing pulleys, gears, syringe components, sensor mounts and flags, encoder features, clamps and many other complimentary elements. In addition, custom designed nuts can offer quick release mounts, partial thread engagement, half nut construction or special shapes and geometries. Special materials are offered to extend the performance of our assemblies. Materials can be chosen for extreme temperature, chemical compatibility, autoclaving, agency approvals, special loadings and many other specific requirements.