All Haydon hybrid linear actuators are available with a specifically designed encoder for applications that require feedback. The compact optical incremental encoder design is available with two channel quadrature TTL squarewave outputs. An optional index is also available as a 3rd channel. The size 8 encoder provides resolutions for applications that require 250 and 300 counts per revolution. The size 11, 14 and 17 encoder provides resolutions for applications that require 200, 400 and 1,000 counts per revolution. The size 23 and 34 encoder is offered in resolutions of 200, 400, 1,000 and 2,000 counts per revolution. Encoders are available for all motor configurations — captive, non-captive and external linear.
Simplicity and low cost make the encoders ideal for both high and low volume motion control applications. The internal monolithic electronic module converts the real-time shaft angle, speed, and direction into TTL compatible outputs. The encoder module incorporates a lensed LED light source and monolithic photodetector array with signal shaping electronics to product the two channel bounceless TTL outputs.
Electrical Specifications
| |
Minimum
|
Typical
|
Maximum
|
Units
|
Input Voltage
|
4.5 |
5.0 |
5.5 |
VDC |
Output Signals
|
4.5 |
5.0 |
5.5 |
VDC |
- 2 channel quadrature TTL squarewave outputs
- Channel B leads A for a clockwise rotation of the rotor viewed from the encoder cover
- Tracks at speeds of 0 to 100,000 cycles/sec.
- Optional index available as a 34d channel (one pulse per revolution).
Single Ended Encoder Pinout Size 8
Connector Pin #
|
Description
|
| 1 |
+5 VDC Power
|
| 2 |
Channel A
|
| 3 |
Ground |
| 4 |
Channel B
|
Operating Temperature
Minimum
|
Maximum |
-10°C (14°F)
|
85°C (185°F)
|
Mechanical Specifications
| |
Maximum |
| Acceleration |
250,000 rad/sec2
|
Vibration (5 Hz to 2 kHz)
|
20g |
Resolution
4 standard Cycles Per Revolution (CPR) or Pulses Per Revolution (PPR)
CPR
|
250 |
300 |
PPR
|
1000
|
1200
|
Others are available
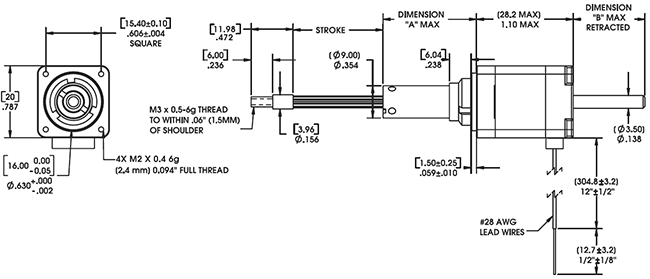
Encoder Dimensional Drawing
Dimensions = (mm) inches
21mm 21000 Series Size 8

Note A: Lead screw extends beyond encoder on specific captive and non-captive motors. External linear shaft extension is available upon request.
Please note: Metric numbers are for reference only.