MLX Series rails are available with specifically designed encoders for applications that require feedback. The compact optical incremental encoder designs are available with two channel quadrature TTL squarewave outputs. Various resolutions are available, up to 1000 CPR.
Simplicity and low cost make the encoders ideal for both high and low volume motion control applications. The internal monolithic electronic module converts the real-time shaft angle, speed, and direction into TTL compatible outputs. The encoder modules incorporate a lensed LED light source and monolithic photodetector array with signal shaping electronics to produce the two channel bounceless TTL outputs.
Electrical Specifications
| |
Minimum
|
Typical
|
Maximum
|
Units
|
Input Voltage
|
4.5 |
5.0 |
5.5 |
VDC |
Output Signals
|
4.5 |
5.0 |
5.5 |
VDC |
- 2 channel quadrature TTL squarewave outputs
- Channel B leads A for a clockwise rotation of the rotor viewed from the encoder cover
- Tracks at speeds of 0 to 100,000 cycles/sec.
Encoder Pinout Size 8
| Single-Ended |
|
|
|
|
|
|
Differential |
Connector Pin #
|
|
|
Description
|
|
|
|
|
|
|
Connector Pin # |
|
|
Description |
| 1 |
|
|
+5 VDC Power
|
|
|
|
|
|
|
1 |
|
|
Ground |
| 2 |
|
|
Channel A
|
|
|
|
|
|
|
2 |
|
|
A channel |
| 3 |
|
|
Ground |
|
|
|
|
|
|
3 |
|
|
A- channel |
| 4 |
|
|
Channel B
|
|
|
|
|
|
|
4 |
|
|
+5VDC power |
| |
|
|
|
|
|
|
|
|
|
5 |
|
|
B channel |
| |
|
|
|
|
|
|
|
|
|
6 |
|
|
B- channel |
Operating Temperature Size 8
Minimum
|
|
|
|
Maximum |
-20°C (28°F)
|
|
|
|
100°C (212°F)
|
Mechanical Specifications
| |
|
|
|
Maximum |
| Acceleration |
|
|
|
250,000 rad/sec2
|
Vibration (5 Hz to 2 kHz)
|
|
|
|
20g |
Resolution Size 8
| Standard Resolutions (CPR) |
|
|
|
Maximum (CPR) |
| 200 |
400
|
1000
|
|
|
|
1000
|
Other resolutions available - Contact factory
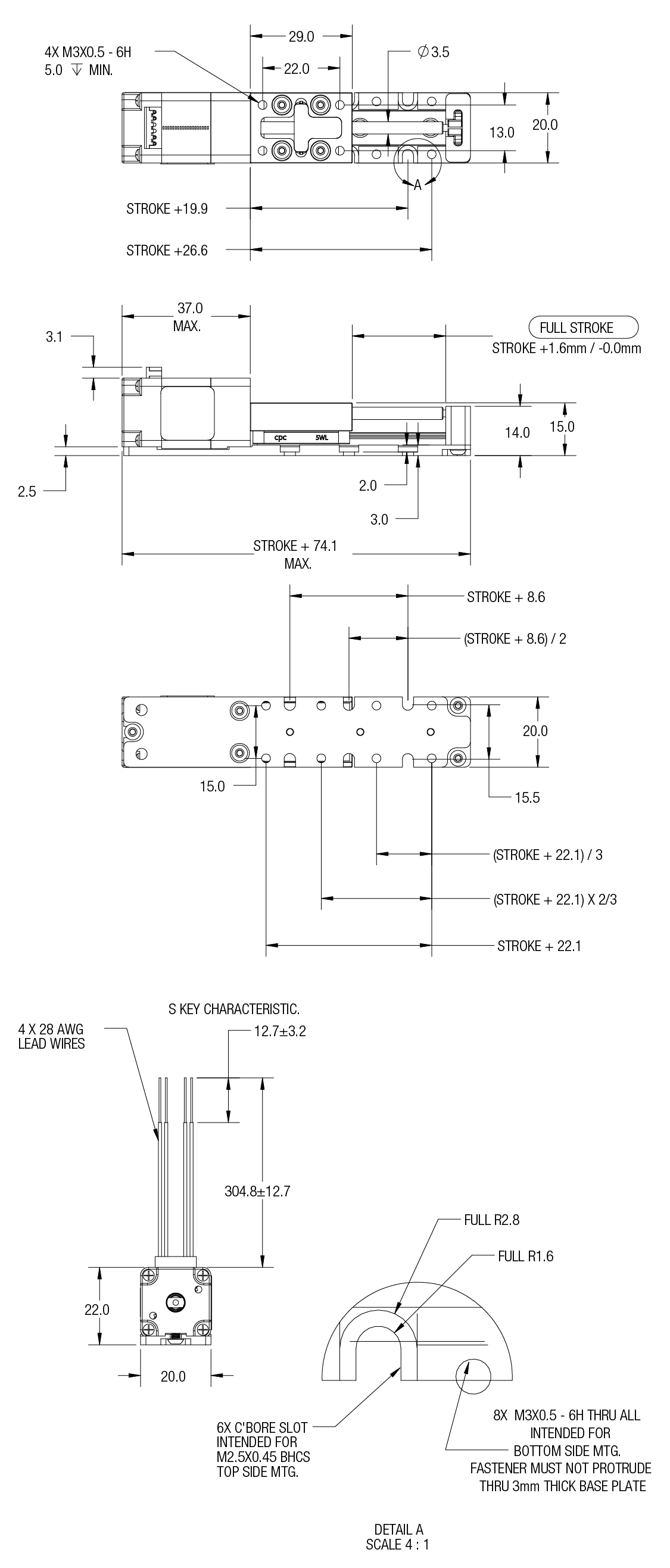
Encoder Dimensional Drawing
Dimensions = (mm) inches
21mm 21000 Series Size 8

Note A: Lead screw extends beyond encoder on specific captive and non-captive motors. External linear shaft extension is available upon request.
Please note: Metric numbers are for reference only.