The Size 8 Ball Spline Captive Hybrid Precision Stepper Motor is part of our extensive, award winning miniature motor product line and is one of the world’s smallest linear actuators.
More Compact Option for Motion Applications
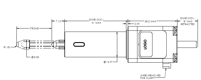
The 21000 Series Size 8 Ball Spline Captive Linear Actuator occupies a minimal 0.8" (21 mm) space and includes numerous patented innovations that provide customers high
performance and endurance in a very small package.
The 21000 Series Ball Spline Captive is available in a wide variety of resolutions - from 0.00006" (.0015mm) per step to 0.00157" (0.04 mm) per step and delivers thrust of up to 10 lbs (44 N).
In this new standard design, the anti-rotation spline shaft and plain bushing of our popular Captive-style actuator is upgraded with a recirculating ball spline bushing assembly. The result is an impressive increase in the radial stiffness and/or position stability of the extending output shaft
This makes our Ball Spline Captive perfect for applications such as tip-tilt or rotational alignment of optical devices for:
- Highly dynamic operation, such as tracking, scanning, image stabilization, elimination of drift and vibration
- Static positioning of optical systems and samples
And as with all HKP Captive Actuators:
- Reduced size footprint compared to externally guided solutions
- A wide range from fine to coarse resolution options
- Highly configurable and customizable
