AmetekHaydonKerk AmetekAMS
Skip to content

PLG24

PLG24 Pittman Gearbox
PLEASE NOTE: The information on these legacy product pages is meant to provide reference data for the products. Please consider alternative HKP product for new machine designs.

PLG24 Gear

The PLG24 is a 24 mm planetary gearbox suitable for servo applications where DC Servo brush or BLDC motor technology is specified. The PLG24 provides excellent efficiency in a compact and industry compatible output configuration.

Features:
  • Continuous torque up to 0.6 Nm
  • All steel planetary carriers and sun gears
  • Dual sleeve bearings on output shaft
  • High efficiency
  • Easily configured to Pittman motors
Assembly Options:
  • Special lubrication for use in extreme temperatures or for service life
Compatible Motors:
DC022C
DC026C

PLEASE NOTE:  Gearboxes are configured to be integrated directly with PITTMAN motors. They are not designed to be sold separately.
  • Specifications +



    GEAR DATA UNITS PLG24 PLG24 PLG24 PLG24 PLG24
    4.33:1 6:1 18.75:1 33.2:1 46:1
    Maximum Load Nm 0.3 0.3 0.45 0.45 0.45
    oz-in 42 42 64 64 64
    Weight (Mass) g 19 19 25 25 25
    oz 0.67 0.67 0.88 0.88 0.88
    Length (LG) mm 28.4 28.4 36.1 36.1 36.1
    in 1.12 1.12 1.42 1.42 1.42
    Stages - 1 1 2 2 2
    Ratio - 4.33/1 6/1 18.75/1 33.2/1 46/1
    Efficiency - 0.90 0.90 0.81 0.81 0.81
    Shaft Rotation - CW CW CW CW CW

    GEAR DATA UNITS PLG24 PLG24 PLG24 PLG24 PLG24
    81.2:1 143.8:1 199.3:1 276:1 352.6:1
    Maximum Load Nm 0.6 0.6 0.6 0.6 0.6
    oz-in 85 85 85 85 85
    Weight (Mass) g 35 35 35 35 35
    oz 1.2 1.2 1.2 1.2 1.2
    Length (LG) mm 43.8 43.8 43.8 43.8 43.8
    in 1.73 1.73 1.73 1.73 1.73
    Stages - 3 3 3 3 3
    Ratio - 81.2/1 143.8/1 199.3/1 276/1 352.6/1
    Efficiency - 0.73 0.73 0.73 0.73 0.73
    Shaft Rotation - CW CW CW CW CW

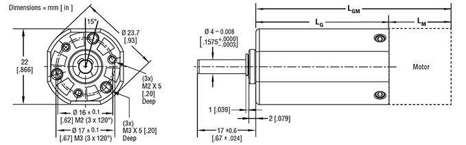
  • Dimensional Drawings +



    PLG24 Planetary Gearbox

    Combined Length
    PLG24 Gearmotor
    Motor Length LGM mm
    Stage 1 2 3
    DC022C-1 60.3 68.0 75.7
    DC022C-2 67.9 75.6 83.3
    DC022C-3 76.7 84.4 92.1

    Combined Length
    PLG24 Gearmotor
    Motor Length LGM mm
    Stage 1 2 3
    DC026C-1 74.1 81.8 89.5
    DC026C-2 77.2 84.9 92.6
    DC026C-3 83.6 91.3 99.0