All Haydon hybrid linear actuators are available with a specifically designed encoder for applications that require feedback. The compact optical incremental encoder design is available with two channel quadrature TTL squarewave outputs. An optional index is also available as a 3rd channel. The size 6 encoder provides resolutions for applications that require 250 and 4000 counts per revolution. Encoders are available for the external linear configuration only. Captive and non-captive options are under development
Simplicity and low cost make the encoders ideal for both high and low volume motion control applications. The internal monolithic electronic module converts the real-time shaft angle, speed, and direction into TTL compatible outputs. The encoder module incorporates a lensed LED light source and monolithic photo-detector array with signal shaping electronics to produce the two channel bounceless TTL outputs.
Electrical Specifications
| |
Minimum
|
Typical
|
Maximum
|
Units
|
Input Voltage
|
4.5 |
5.0 |
5.5 |
VDC |
Output Signals
|
4.7 |
5.0 |
5.5 |
VDC |
- 2 channel quadrature TTL squarewave outputs
- Channel B leads A for a clockwise rotation of the rotor viewed from the encoder cover
- Optional index available as a 3rd channel (one pulse per revolution).
Single Ended Encoder Pinout Size 6
Connector Pin #
|
Description
|
| 1 |
Ground
|
| 2 |
Index
|
| 3 |
Channel A |
| 4 |
+5 VDC Power
|
| 5 |
Channel B
|
Operating Temperature
Minimum
|
Maximum |
-40°C (-40°F)
|
100°C (212°F)
|
Mechanical Specifications
| |
Maximum |
| Acceleration |
250,000 rad/sec2
|
Vibration (10 Hz to 2 kHz)
|
20g |
Resolution
4 standard Cycles Per Revolution (CPR) or Pulses Per Revolution (PPR)
CPR
|
250 |
4000 |
PPR
|
1000
|
16000
|
Others are available
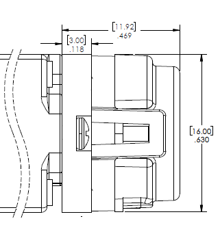
Encoder Dimensional Drawing
Dimensions = (mm) inches
16mm 16000 Series Size 6
