AmetekHaydonKerk AmetekAMS
Skip to content

6700 Series

Haydon_6700_Series_Environmentally_Sealed_Switch

The 6700 Series environmentally sealed switch is rated for one million cycles. The 6700 was developed for high cycle harsh environment applications. The need for high cycle limit switches has developed as aerospace and industrial systems have evolved from manual control and feedback to computer controlled mechanisms. The 6700 meets the high life cycle requirements of modern computer controlled systems.

Based on the proven design of Haydon’s 6100 series switch, the 6700 incorporates material and process changes to achieve reliable 1 million cycle life. Internal blade material thickness, temper and surface treatment have been optimized in the new design. The metal housing and operating pin are permanently bonded to a resilient elastomer seal. This ensures environmental seal integrity of 1 x 10-6 Atm cc/sec. The switch is configured for operation in the milliamp range. Operating temperature is -85° F to +300° F.

Assemblies Available
The 6700 series switches are available in a wide variety of actuator assemblies. Typical assemblies include leaf actuators, roller leaf assemblies and plunger actuators. Haydon Kerk Motion Solutions can also provide customization assemblies to meet specific operational requirements.

  • Specifications +


    Mechanical Characteristics - 6700 Series Environmentally Sealed Switch

    Maximum Operating Force

    10 oz. (2.8 N)

    Minimum Release Force

    3 oz. (.84 N)

    Movement Differential

    .0005/.005" (0.0127/0.127 mm)

    Weight

    Less Leads - .02 lbs. (0.57 g)

    Overtravel Stop

    .007" available (0.1778 mm)


    Electrical Characteristics - 6700 Series Environmentally Sealed Switch

    Electrical Rating

    28VDC/115VAC, 400 Hz

    Resistive

    120 Milliamps

    Dielectric Withstanding Voltage

    1000V rms at sea level for 1 minute or 1250V rms for 1 second with maximum leakage current 0.5 milliamperes. Can be supplied to meet 1500V rms withstand voltage with reduction in life.


    Environmental Characteristics - 6700 Series Environmentally Sealed Switch

    Temperature Range

    -65°F to 300°F (-54°C to 204°C) continuous

    Shock

    100g for 6 ± 1 ms

    Vibration

    10 - 2000 Hz 20g peak

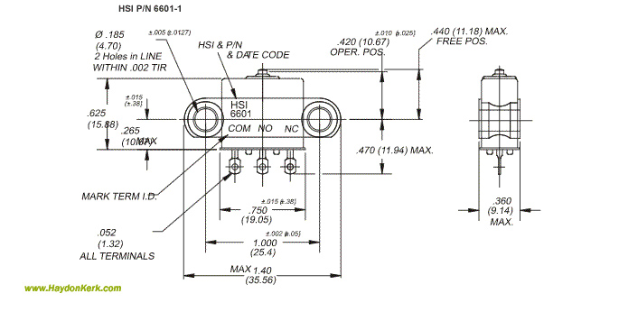
  • Dimensional Drawings +

    Haydon Environmentally Sealed Switch 6700 Series
  • Typical Assemblies +

    Haydon Environmentally Sealed Switch 6700 Series