AmetekHaydonKerk AmetekAMS
Skip to content

Size 17 43mm SLIM Drive

SLIM Drive Size 17

Size 17 SLIM

Available on External Linear design hybrid actuators
USB, RS-485 Communication or CANopen Fieldbus with Interface Module Available
Wide variety of resolutions: from 0.00006-in (.001524 mm) per step to 0.00192-in (.048768mm) per step.
RoHS Compliant

 

  • Specifications +



    Drive Specifications
    Digital I/O Voltage Range 5-24 VDC
    Digital Inputs 3
    Digital Outputs 1
    Digital Sinking Outputs 200mA (each)
    Digital Input Maximum Current 8mA (each)
    Maximum Temperature 70°C (at heat sink)
    Position Counter Range 64 bit
    Input Voltage 12 VDC to 42 VDC
    Maximum Input Current   

    Actuator Specifications
    Current/Phase A rms 2.6
    Step Angle
    Degree
     1.8°
    Power Input Watts 13.2
    Rotor Inertia gcm2 78
    Insulation Class
    Class B (Class F available)
    Weight oz (g) 12.5 (352)
    Insulation resistance MΩ 20

    Linear Travel / Step
    Screw Ø inches mm Code ID
    .218" (5.54 mm) .00012 .0030* N
    .00024 .0060* K
    .00048 .0121* J
    .00096 .0243* Q
    .00192 .0487* R
    .250" (6.35 mm) .00015625
    .0039*
    P
    .0003125
    .0079*
    A
     .000625 .0158*
    B
     .00125 .0317*
    C
    * Values Truncated
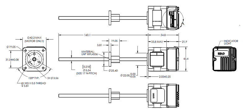
  • Dimensional Drawings +


    SLIM Dwg



  • Performance Curves +


    FORCE vs. PULSE RATE
    Ø .250 (6.35) Lead Screw


    SLIM SS Pulse Rate

    SLIM DS Pulse Rate

    FORCE vs. LINEAR VELOCITY
    Ø .250 (6.35) Lead Screw

    SLIM SS Linear Velocity

    SLIM DS Linear Velocity


    NOTE:  All chopper drive curves were created with a 5 volt motor and a 40 volt power supply.

    Ramping can increase the performance of a motor either by increasing the top speed or getting a heavier load accelerated up to speed faster.  Also, deceleration can be used to stop the motor without overshoot.

    With L/R drives peak force and speeds are reduced, using a unipolar drive will yield a further 30% force reduction.
  • Lubrication Options +


    Haydon® Super Slick Greases

    Haydon offers a wide selection of greases designed to meet any application requirements.  Please contact Haydon Kerk Motion Solutions for assistance in selecting the most effective lubrication option.

    Grease Type Chemical Compatibility Temp. Range Comments Cost
    HSS-03
    Polyolester
    Good -54°C to +150°C
    Moderate Load
    $
    HSS-17 Synthetic Hydrocarbon Good -20°C to +125°C Standard $
    HSS-06 Perfluoropolyether Best -65°C to +250°C Tough Environments $$
    HSS-16 Perfluoropolyether Better -80°C to +204°C Vacuum compatible $$$
    HSS-20 Perfluoropolyether Best -65°C to +250°C High Repeatability $$$

    HSS-03

    is a light viscosity, polyolester based grease thickened with PTFE.  It is an economical alternative to premium PFPE (perfluoropolyether) types where low temperature performance is a primary requirement as it provides low starting torque.

    HSS-17

    is a medium viscosity synthetic hydrocarbon grease thickened with lithium soap.  It is fortified with EP (extreme pressure) modifiers to increase load carrying capabilities and TFE to increase lubricity and reduce friction.  Rated temperature capacity is -20°C to +125°C. HSS-17 has the highest load characteristics.

    HSS-06

    is a TFE thickened heavy viscosity perfluoropolyether grease.  It is designed to operate in chemically harsh environments and provides excellent operating properties for light to medium loads.  Rated temperature capacity is -65°C to +250°C. Standard on Hybrid Actuators.

    HSS-16

    is a perfluoropolyether grease developed for use in vacuum environments good to 4x10–13 torr at 20°C.  Rated temperature capacity is -80°C to +204°C.

    HSS-20

    is an ultrafiltered version of HSS-06, meaning that the grease it put through a ‘cleaning’ process to remove any particles greater than 35 microns in size.  It is designed for use when accuracy and repeatability are of utmost concern.

    Black Ice® and Kerkote® TFE Coatings

    Black Ice and Kerkote TFE coatings are available in some of our actuator designs depending on the nut polymer used.  Please consult the applications engineering team to discuss lead screw nut / TFE coating compatibility.  

  • Manuals Software +

  • Wiring Diagram +


    PinOut/Wiring Connections

    Wiring Connections


    TABLE A
    POWER CONNECTOR
    PIN # SIGNAL MARKING
    1 VDC_NEG -
    2 VDC_POS +
    TABLE B
    SIGNAL I/O CONNECTOR
    PIN # SIGNAL MARKING
    1 STEP+ ST+
    2 STEP- ST-
    3 DIR+ DR+
    4 DIR- DR-
    5 EN+ EN+
    6
    EN-
    EN-
    7 ERROR+ ER+
    8 ERROR-
    ER-
    9
    TX
    TX
    10 RX
     RX
    11 CLK
    CK
    12
    UC
    V-
    13
    FS
    FS
    14
    VAUX V+
  • Accessories +



    ACCESSORIES
    PART NUMBER
    DESCRIPTION MODELS
    56-2623
    SLIM Drive Power Harness, Long
    All
    56-1346 USB Cable (A to mini B), 2 meters (78.74)
    USB, CAN, RS485
    KTUSB
    SLIM USB Communications Interface
    USB, PDE
    56-2597-01
    PDE Logic I/O Signal Harness
    PDE
    KTRS485 SLIM RS485 Communications Interface
    RS485
    KTCAN
     SLIM Can Communications Interface CAN
    84-152
    Cable Assembly, CAN Convertor to KTCAN Interface
    CAN
    52-870 USB to CANopen Converter
     CAN
    UTR4852 USB to RS485 Converter
     RS485
    56-1536-4 RS-485 cable, 1 meter (39.37)
    RS485

    STARTER KITS
    PART NUMBER
    DESCRIPTION MODELS
    78-180 SLIM PDE Accessories Starter Kit
    Includes: 56-2623, 56-2597-01
    PDE
    78-181 SLIM USB Accessories Starter Kit
    Includes: 56-2623, 56-1346, KTUSB
    USB
    78-182 SLIM CAN Accessories Starter Kit
    Includes: 56-2623, 84-152, KTRS485, 52-870
    CAN
    78-183 SLIM RS485 Accessories Starter Kit
    Includes: 56-2623, 56-1536-4, KTRS485, 56-1346, UTR4852
    RS485
  • Part Number Guide +



    E

    M43

    M

    K

    N

    -

    2.8

    -

    910

    Prefix
    (include only when
    using the following)

    Series Number
    Designation

    Style

    Coils

    Code ID
    Resolution Travel/Step


    Voltage


    Suffix

    E=External
    K=External with
    40° thread form

    M43=43000 Max Series (Series numbers
    represent approximate width of motor body)

    H=1.8° External, Single Stack
    M=1.8° External, ouble Stack)

    K=SLIM Drive, USB or RS485
    C=SLIM Drive, CANopen

    N=.00012-in (.0030)
    K=.00024-in (.0060)
    J=.00048-in (.0121)
    Q=.00096-in (.0243)
    P=.00015625-in (.0039)
    A=.0003125-in (.0079)
    B=.000625-in (.0158)
    C=.00125-in (.0317)
    R=.00192-in (.0478)

     

    2.8=2.8 VDC


    Example:
    910=1in
    (Refer to Stroke chart on Captive motor series product page.)
    Suffix also represents:
    800=Metric
    900=External Linear with grease and flanged nut–XXX=Proprietary suffix assigned to a specific customer application. The identifier can apply to either a standard or custom part.



    NOTE: Dashes must be included in Part Number (–) as shown above. For assistance call our Engineering Team at 203 756 7441.